
1.表示供应,口碑良好,缴纳了2万保证金,经维库认证中心严格审查。
2.供应商承诺此料号是“现货” ,如果无货或数量严重不足(实际数量不到显示数量一半),投诉成立奖励您500元。
27
ZIP15/22+
只做原装现货
515
ZIP15/21+
全新进口现货/诚信经营
L4970A
930
ZIP15/24+
原装,16年行业经验,值得信赖
L4970A
25
ZIP15/23+
只做原装公司现货,部分库存代理长期分货2-3周
L4970A
70000
MULTIWATT15 (VERTICAL)/-
原装 免费送样 一站式元器件采购商城
L4970A
6611
NA/24+/25+
只做原装
L4970A
5000
Multiwatt15 (Vertical)/24+
原厂直销,提供一站式服务
L4970A
15000
Multiwatt15/22+
只有原装,原装,假一罚十
L4970A
8391
-/22+
原装 优势现货
L4970A
1000
Multiwatt15/-
-
L4970A
4500
-/12
公司原装现货
L4970A
8160
-/22+
诚信、创新、和谐、共赢
L4970A
7300
15Multiwatt/25+
行业十年,价格超越代理, 支持权威机构检测
L4970A
32500
Multiwatt15(Vertica/22+
原装最低价,认准华盛锦
L4970A
1
N/A/25+
回收此型号L4970A
L4970A
9000
-/22+
原厂渠道,现货配单
L4970A
128000
ZIP/23+
全新原装现货/优势渠道/提供一站式配单
L4970A
6000
-/21+
-
L4970A
6500
Multiwatt15/21+
原装正品
L4970A
6000
Multiwatt15/23+
十年配单,只做原装
L4970A
10A SWITCHING REGULATOR
STMICROELECTRONICS
L4970APDF下载
L4970A
Buck Switching Regulator IC Positive...
L4970APDF下载
L4970A
10A SWITCHING REGULATOR
STMICROELECTRONICS [STMicroelectronics]
L4970APDF下载
摘要:一种基于l4970apwm芯片的双路10a输出的开关稳压电源,首先介绍了关键器件l4970a芯片主要性能特点、封装和主要外围元件参数选择等,重点给出该电源系统的工作原理、具体电路和调试安装注意事项。 关键词:开关电源 pwm技术 dc/dc变换 功率pwm输出 1 引言 由于开关稳压电源具有体积小、重量轻、高效节能、输入电压范围宽、适应范围广、保护功能全等特点,已广泛应用于电子产品的各个领域。在此给出一种基于l4970a芯片实现的具有双路10a输出的电压可调型开关稳压电源。 l4970a大功率pwm开关稳压电源芯片是意法公司(sgs-thomson)的第二代新品,它的最大特点是直接输出10a大电流、具有过流过热软起动等完备的保护功能,因而用它实现的电源简单可靠。下面首先给出该芯片的主要性能特点、封装和关键外围元件参数选择等,重点介绍由该芯片实现的双路10a输出电压可调的开关稳压电源工作原理、具体电路、调试安装和注意事项等。 2 l4970a简介 2.1 主要性能指标和特点 l4970系列是意法公司继l4960系列之后新推出的单片开关式稳压器。它是采
摘要: 介绍l4970a 大功率单片集成开关电源芯片的内部结构、电路特点、工作原理和应用电路。 l4970a 系列大功率单片集成开关电源是st 公司继l4960 系列之后推出的第二代产品。电路的特点是:采用dmos 开关功率管、混合式cmos/ 双极型晶体管等集成电路制造新工艺研制而成;输出电压在5. 1v~40v 范围内连续可调;通过自举电容可获得大电流输出;利用掉电复位电路能实时地向微机发出信号,监视系统电源的工作状态。 1 工作原理 l4970a 的原理框图如图1 所示(注:引脚序号适用于l4970a/ 4975a/ 4977a) 。其内部功能电路主要包括基准电压源,锯齿波发生器,内置40khz 振荡器,欠压检测与过热保护电路,误差放大器,比较器,pwm锁存器, 或非门, 触发器(由两级或门构成) , 驱动级,dmos 开关功率管, 限流比较器, 软启动电路, 掉电复位电路。其中内部基准电压源能输出两路基准电压,一路是vref = 5. 1v ,供设定输出电压v0 值用;另一路为vstart = 12v ,它与自举电路相配合,可将驱动级的电源电压提升12v。误差放大器
制器集成电路,美国摩托罗拉公司、硅通用公司(silicon general)、尤尼特德公司(unitrode)等相继推出一批pwm芯片,典型产品有mc3520、sg3524、uc3842。90年代以来,国外又研制出开关频率达1mhz的高速pwm、pfm(脉冲频率调制)芯片,典型产品如uc1825、uc1864。第二个方向则是对中,小功率开关电源实现单片集成化。这大致分两个阶段:80年代初意-法半导体有限公司(sgs-thomson)率先推出l4960系列单片开关式稳压器。该公司于90年代又推出了l4970a系列。其特点是将脉宽调制器、功率输出级、保护电路等集成在一个芯片中,使用时需配工频变压器与电网隔离,适于制作低压输出(5.1~40v)、大中功率(400w以下)、大电流(1.5a~10a)、高效率(可超过90%)的开关电源。但从本质上讲,它仍属dc/dc电源变换器。 1994年,美国动力(power)公司在世界上首先研制成功三端隔离式脉宽调制型单片开关电源,被人们誉为“顶级开关电源”。其第一代产品为topswitch系列,第二代产品则是1997年问世的topswitch-ii系列。该公
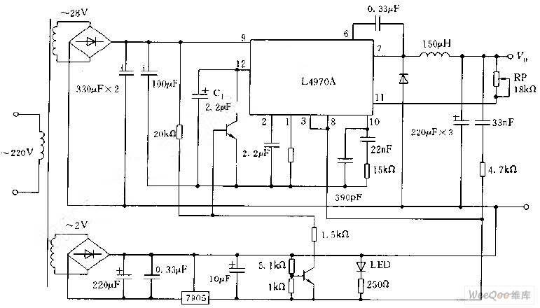
图中电路是采用-5V的辅助电源以扩大低电压的连续调节范围,RP为调节输出电压的电位器,C1为软启动电容,9脚的最大输入电压约为35V.
多种开关集成稳压器L4970A/L4975A/L4977A(L4972A/L4974A)电路图
多种开关集成稳压器L4970A/L4975A/L4977A(L4972A/L4974A)电路如下图所示:

图中电路是采用-5V的辅助电源以扩大低电压的连续调节范围,RP为调节输出电压的电位器,C1为软启动电容,9脚的最大输入电压约为35V。

摘要:一种基于L4970APWM芯片的双路10A输出的开关稳压电源,首先介绍了关键器件L4970A芯片主要性能特点、封装和主要外围元件参数选择等,重点给出该电源系统的工作原理、具体电路和调试安装注意事项。
关键词:
制器集成电路,美国摩托罗拉公司、硅通用公司(silicon general)、尤尼特德公司(unitrode)等相继推出一批pwm芯片,典型产品有mc3520、sg3524、uc3842。90年代以来,国外又研制出开关频率达1mhz的高速pwm、pfm(脉冲频率调制)芯片,典型产品如uc1825、uc1864。第二个方向则是对中,小功率开关电源实现单片集成化。这大致分两个阶段:80年代初意-法半导体有限公司(sgs-thomson)率先推出l4960系列单片开关式稳压器。该公司于90年代又推出了l4970a系列。其特点是将脉宽调制器、功率输出级、保护电路等集成在一个芯片中,使用时需配工频变压器与电网隔离,适于制作低压输出(5.1~40v)、大中功率(400w以下)、大电流(1.5a~10a)、高效率(可超过90%)的开关电源。但从本质上讲,它仍属dc/dc电源变换器。 1994年,美国动力(power)公司在世界上首先研制成功三端隔离式脉宽调制型单片开关电源,被人们誉为“顶级开关电源”。其第一代产品为topswitch系列,第二代产品则是1997年问世的topswitch-ii系列
l4970a是降压式单片功率开关集成稳压器,输出电流10a,输出电压范围为5.1~40v。l4970a的管脚配置与内部结构框图如图4-91所示。 1脚为振荡器引脚,外接振荡器的定时电阻rosc;2脚为振荡器引脚,外接振荡器的定时电容cosc,它同rosc一起决定开关频率;3脚为复位输入引脚,输入5.1v时断电,可通过分压器与输入端连接,以提供断电功能,此脚不能使用时必须用一个30kω电阻与vstart(15)脚相连;4脚为复位延迟引脚,对地接有一个电容器cd,当电源和输出电压正常时,输出为高电平;6脚为自举引脚,对地接有电容cboot,能正常驱动片内晶体管;7脚为输出引脚,稳压器的输出端;8脚为公共地端;9脚为电源电压引脚,介入非稳定的输入电压;10脚为频率补偿引脚,对地串联rc网络,决定调整器环路增益特性;11脚为反馈输入引脚,稳压器的环路反馈端,输出端(7脚)和该端连接可得到5.1v的工作电压,两端之间加分压器可得更高的工作电压;12脚为软启动引脚,对地接电容css可限定软启动时间;13脚为同步输入引脚,多个l4970a的13脚连接在一起,或通过外部同步脉冲可使其同步工作;14脚为5
l4970a是降压式单片功率开关集成稳压器,输出电流10a,输出电压范围为5.1~40v。 图1是l4970a构成输出5.1v/10a的典型应用电路。图2是采用l4970a构成的可调开关电源电路,可调范围为0~25v,输出电流10a。图2电路中采用-5v的辅助电源,以扩大 低电压的连续调节范围,rp为调节输出电压的电位器,c1为软启动电容,9脚的最大输入电压约为35v。 来源:朦烟
l4970a是降压式单片功率开关集成稳压器,输出电流10a,输出电压范围为5.1~40v。 图1是l4970a的管脚配置与内部结构框图。1脚为振荡器引脚,外接振荡器的定时电阻rosc;2脚为振荡器引脚,外接振荡器的定时电容cosc,它同rosc一起决定开关频率;3脚为复位输入引脚,输入5.1v时断电,可通过分压器与输入端连接,以提供断电功能,此脚不使用时必须用一个30kω电阻与vstart(15)脚相连;4脚为复位输出引脚,开路集电极,复位/断电输出,当电源和输出电压正常时。输出为高电平;5脚为复位延迟引脚,对地接有一个电容器cd,当电源和输出电压正常时,输出为高电平;6脚为自举引脚,对地接有电容cboot,能正常驱动片内晶体管;7脚为输出引脚,稳压器的输出端;8脚为公共地端;9脚为电源电压引脚,接入非稳定的输入电压;10脚为频率补偿引脚,对地串联rc网络,决定调整器环路增益特性;11脚为反馈输入引脚,稳压器的环路反馈端,输出端和该端连接可得到5.1v的工作电压,两端之间加分压器可得更高的工作电压;12脚为软启动引脚,对地接电容css可限定软启动时间;13脚为同步输入引脚,多个l49
l4970a构成的多输出dc dc变换器电路图 l4970系列是意法公司继l4960系列之后新推出的单片开关式稳压器。它是采用dmos开关功率管、混合式cmos、双极型晶体管等集成电路制造新工艺研制而成,l4970a是其中的代表。 其主要性能特点如下:输出电流大,最大可达10a;开关频率高,可达400khz;输入电压范围宽,正常值(15~50)v,极限值为(11~55)v。输出电压控制灵活,可在(5.1~40)v范围内连续调整。若直接从u0反馈,可得到固定5.1v输出。典型电压调整率sv=5mv,负载调整率si=15mv,输出纹波δu=30mv,纹波抑制比为60db。最大限流值由内部电路限定;除软起动、限流保护、过热保护等完善的保护电路外,还增加了欠压锁定、pwm锁存、掉电复位等电路;误差放大器开环增益大于60db,电源电压抑制比pmrr=80db,输入失调电压2mv。 来源:qick
如图所示为由l4970a构成的大功率开关电源。l4970a是一种大功率单片开关集成稳压器,该芯片采用sip-15封装,其特点是;(1)输入电压必须>11v,一般为15~40v之间;(2)输出电压:固定输出5.1v,也可通过外部电路设置成可调输出,范围在5.1~40v;(3)最大输出电流为10a;(4)工作频率200khz;(5)内部设有欠压检测、掉电复位、功率级软启动等特殊电路. 来源:lover
请教瞬态抑制二极管的问题,非常感谢我在使用瞬态抑制二极管时,发现使用的1.5ke10a二极管出现短路失效,使用中反向电压为6.3v,该电压是l4970a单片电源产生,l4970a的使用同该芯片推荐的典型电路。请教:瞬态抑制二极管是否存在钳位电压下降的问题?或短路失效的模式。l4970a常见失效模式?非常感谢。
l4970a请问一下各位用过l4970a的高人,为什么我在调试l4870a时,发现该电源片发热量特别大?该电源是开关性的,为什么会出现这种现象?
l4970a的问题,请用过的朋友指点一下我现在在作0到4v(10a)的可调电压源,原理图为pdf中(0到25v可调)的标准接法,只是变压器不一样。但是当我调到3v的时候就没有办法调了,此时电阻器(10k)约为2.65k左右,再往大了调电压不变,就是3v。就这个问题,期待高人指点!请问是阻抗匹配的问题吗?
话题:请教:关于采用l4970做两路输出开关电源现有一任务,要求将一电机输出变为两路直流. 一路为充电用:28.5(±0.3v),电流≤6a 一路为照明用:24.0(±0.5v),电流≥14a 要求体积小于:91㎜×65㎜×32㎜。 采用l4970模块,拟订方案是采用彼此独立的两路,每路一个l4970a。 问题:做一路时输出功率可以达到200瓦,满足要求。 但是做两路时输出电流上不去. 请教各位高手估计会是什么原因呢? 我很想知道在这个体积内能不能实现那么大的功率, 在上面的情况下功率密度一般能做多大? 也就是说在91mm*65mm*32mm的体积内能不能实现400w? 请指教,谢谢