3021
SOP16/21+
全新进口现货/诚信经营
L5991D013TR
2000
-/22+
原装,支持实单
L5991AD
SOP/-
-
L5991AD
70000
SOIC16_150MIL/-
原装 免费送样 一站式元器件采购商城
L5991
12260
DIP/23+
高品质 优选好芯
L5991
25000
DIP16/22+
只做原装进口现货,专注配单
L5991
8391
DIP16/22+
特价现货,提供BOM配单服务
L5991
2000
DIP16/2021+
特价原装正品现货可出样
L5991
8160
DIP/22+
诚信、创新、和谐、共赢
L5991
7300
-/25+
行业十年,价格超越代理, 支持权威机构检测
L5991
59580
DIP/22+
全网最低价,认准华盛锦
L5991
9000
16DIP/22+
原厂渠道,现货配单
L5991
6000
16DIP/21+
-
L5991
6000
DIP16/23+
十年配单,只做原装
L5991
3505
DIP16/2023+
原装,提供BOM服务
L5991
12500
DIP16/1903+
只做原装正品进口现货可开增值税票
L5991
4500
DIP16/23+
终端可以免费供样,支持BOM配单
L5991
51005
DIP/24+
原厂原装现货,提供一站式配单服务
L5991
18492
DIP16/0411+
北京电子市场柜台现货,低价销售,欢迎查询
L5991
3600
NA//23+
原装现货,当天可交货,原型号开票
L5991
PRIMARY CONTROLLER WITH STANDBY
STMICROELECTRONICS
L5991PDF下载
L5991
PRIMARY CONTROLLER WITH STANDBY
STMICROELECTRONICS [STMicroelectronics]
L5991PDF下载
L5991A
PRIMARY CONTROLLER WITH STANDBY
STMICROELECTRONICS
L5991APDF下载
L5991A
PRIMARY CONTROLLER WITH STANDBY
STMICROELECTRONICS [STMicroelectronics]
L5991APDF下载
L5991D
PRIMARY CONTROLLER WITH STANDBY
STMICROELECTRONICS
L5991DPDF下载
L5991D
Converter Offline Boost, Flyback Top...
L5991DPDF下载
L5991D
PRIMARY CONTROLLER WITH STANDBY
STMICROELECTRONICS [STMicroelectronics]
L5991DPDF下载
L5991AD
PRIMARY CONTROLLER WITH STANDBY
STMICROELECTRONICS
L5991ADPDF下载
L5991AD
Flyback Regulator Positive, Isolatio...
L5991ADPDF下载
L5991AD
PRIMARY CONTROLLER WITH STANDBY
STMICROELECTRONICS [STMicroelectronics]
L5991ADPDF下载
1 引言 待机是指产品已连接到电源上,但处于未运行在其主要功能时的状态。待机的目的就是要降低电源在空载或轻载时的损耗。随着电器和网络产品的普及,电子产品待机状态下的耗电量越来越引起国际节能,环保组织和有关国家的重视。待机能耗不仅浪费电能,而且也制造巨大的环保压力。我们知道开关损耗与电源的工作频率成正比,因此,可以设法在电源输出功率变小乃至于进入待机状态时,使其工作频率降低。这可以通过许多控制功能芯片来实现,例如集成芯片l5991等。目前,很多pwm芯片还不具有变频的待机功能,因而,我们可以借鉴l5991芯片的这个功能电路来实现其他pwm芯片的待机功能。 2 l5991芯片的待机功能电路介绍 l5991芯片,是由bcd60ii技术发展而来的,设计目的是用一个固定频率的电流模式控制,实现离线式dc/dc电源应用。l5991是一个标准电流型pwm控制器,该控制器具有可编程软启动,输出/输入同步,闭锁(用于过压保护和电源管理),精确的极限占空比控制,脉冲电流限制,用软启动来进行过流保护,和当空载或轻载时使振荡器频率降低的待机功能等优点。 图1是该芯片待机功能的基本内
【例1】 philips 180p液晶显示器,插上电源适配器插头,无显示。 分析与检修:该机开关电源采用电源适配器,以电源控制芯片l5991为核心构成,有关电路如图1所示。 l5991是一款应用于并联型开关电源一次电路的电流模式开关电源控制芯片,可直接驱动mosfet开关管。其引脚功能见表。 检修时,检查电源适配器无+18v输出,说明电源适配器未工作,测量7121(l5991)各脚电压,发现8脚电压只有3v左右,正常应为16v左右,经检查是电解电容2122不良所致,更换后开机工作正常,故障排除。 分析故障形成机理为:220v交流电压经整流管6111整流,3111、31 16降压,形成开机启动电压,向电源控制电路l5991的8脚电源端电容2122充电,充电到16v时,l5991内部电路开始工作,从10脚输出驱动脉冲,驱动开关管7102导通,电流流过开关变压器5150的一次侧,开关电源启动。开关电源启动后,开关变压器5150自馈电绕组(1~2绕组)感应的脉冲电压经6117整流、3115限流、2115滤波,再经6118、2122整流流滤波,加到l5991的8脚,取代启动电路
l5991的引脚功能见表。 表 l5991的引脚功能表 l5991具体如下特点: (1)电流模式pwm控制芯片; (2)开关频率最高可达1mhz; (3)软启动电流小于120μa; (4)驱动电流大,可以直接驱动mosfet功率管; (5)带双脉冲抑制的pwm逻辑; (7)最大占空比控制; (8)轻载自动待机功能; (9)可以编程软启动; (10)带重启动延时的初级过流检测功能; (11)pwm欠压锁定; (12)内置矽卜置同步功能; (13)电流检测信号内置100 ns上升沿消隐功能。 来源:ks99
轻载自动待机功能是l5991针对反激式转换器进行优化而设计的。在转换器的工作过程中,此功能将自动检测转换器的负载状态,一旦出现轻载时,则自动降低振荡器的振荡频率。当负载逐渐恢复并达到一定的阈值后,振荡器的频率将自动恢复到正常水平。 由于振荡器的频率随着负载的变化而变化,因此可以有效地克服反激式转换器在轻载时损耗过大的缺点。在l5991的内部,轻载自动待机功能是通过监测误差放大器的输出信号来实现的。而误差放大器的输出信号主要取决于初级峰值电流的线性化程度。如果初级峰值电流下降,这就意昧着负载对功率的需求下降,当ucomp的值低于固定的阈值ut1时,振荡器的频率将自动被设置为下限值fsb。 随着初级峰值电流的上升,当ucomp的值超过另一固定的阈值ut2时,振荡器的频率将自动被设置为正常值fosc。而正常工作频率和待机频率,都可以通过外接元件进行设置。ut1和ut2的取值是由芯片内部电路决定,其大小可以通过输入功率的大小来调节。ut1和ut2的典型取值分别为2.5 v和4 v,其窗口电压达到1.5 v,足以控制频率的异常变化。轻载自动待机功能的动态工作曲线如图所示。 图 轻载自动待
或者是用霍尔元件来获得电流信号。当取样电流比较小的时候,这两种取样方法都是可取的。但当取样电流比较大时,电阻取样会有较大的损耗,降低了变换器的效率,而霍尔元件取样其体积比较大,且价格昂贵,对整个电源的成本也是个问题。基于以上考虑,本文提出一种简单有效的限流保护电路,克服了以上两种方式取样大电流时的缺点。它适用于正激、反激等各种变换器,而且成本也比较低。1 限流保护电路工作原理图1中虚线框外的电路是普通的峰值电流方式的pwm控制电路,利用电流互感器取样峰值电流。图中所示的pwm芯片是st公司生产的l5991[1]。虚线框内是本文所提出的限流保护电路。它利用峰值电流控制中的电流信号作为输入信号,通过一个由d1,r1,c1组成的峰值保持电路和由运放组成的pi环节得到一个误差信号,在变换器的输出电流超过限定值的时候,该误差信号就会控制pwm芯片的占空比,从而使输出电流保持在限定值。由于d2存在,当输出电流低于限流值时,该部分电路对占空比的控制不起作用。下面以正激变换器为例,阐述限流保护电路的工作原理。 正激变换器如图2所示。设图1中a点电压为va,b点电压为vb,c点电压为vc,图2中流过开关管的


L5991具有内置与外置同步功能。通过同步功能,L5991可以实现“主从”工作方式如图所示。

当L5991充当“从控制器”时,电路将工作在边沿触发模式下,如图所示。如果需要几只L5991并联使用,无须人为对芯片的“主从”状态进行设置,这是因为在这几只L5991中,速度最快的一只将自动充当“主控制器”。
...
当l5991充当“从控制器”时,电路将工作在边沿触发模式下,如图所示。如果需要几只l5991并联使用,无须人为对芯片的“主从”状态进行设置,这是因为在这几只l5991中,速度最快的一只将自动充当“主控制器”。 在振荡器输出波形上升过程中,sync引脚的电位将被芯片中内置的600 μa拉电流发生器下拉到低电平。而在振荡器输出波形的下降过程中,sync引脚将断开拉电流发生器的连接。由于l5991的工作频率在轻载时将自动下降,因此“主从”工作状态只限于正常工作过程中,而不是待机过程中。 图 内部振荡器和同步电路原理图 来源:lover
l5991提供两种供电电源:一种为芯片内部的控制电路供电;另一种为外部的功率电路供电。8脚(vcc)用于向芯片内部的控制电路供电,在l5991加电过程中,当vcc超过了启动阈值,芯片将进入待机状态,只有当vcc超过了欠压锁定(uvlo)阈值后,芯片才进入正常工作状态,否则芯片将自动关断。vcc由l5991内部的25 v齐纳二极管进行钳位。另外,为了滤除高频噪声,最好在vcc引脚和信号地(12脚)之间接上一只小的薄膜电容。需要注意的是,为了保证滤波效果,该电容应与芯片尽可能地靠近。 9脚(vc)用以推动外部开关元件。为了避免脉冲电流对该脚产生影响,应在该脚与功率地(11脚)之间接人一只缓冲电容,以抑制电流脉冲信号造成的干扰。另外,为了调整外部开关元件的开通和关断速度,可以在引脚和缓冲电容之间增加一只电阻如图9-36所示。从图中可知,功率mosfet开通时的栅极电阻为rg+r'g,而在关断时的栅极电阻仅为rg。 图 开关元件开通和关断速度调节 来源:与你同行
l5991具有内置与外置同步功能。通过同步功能,l5991可以实现“主从”工作方式如图所示。 图 l5991的主从工作状态实例 来源:lover
l5991是一个标准电流型pwm控制器,具有可编程软启动电路、输出廿喻人同步、闭锁(用于过压保护和电源管理)、精确的极限占空比控制、脉冲电流限制、用软启动来进行过流保护及当空载或轻载时使振荡器频率降低的待机功能等优点。由于l5991具有一个待机功能控制端,可以采用微处理器直接控制待机功能,且待机电流小于120l5991是st公司生产的具有待机功能的pwm初级控制器。下图是l5991芯片待机功能的内部原理图。 来源:bill
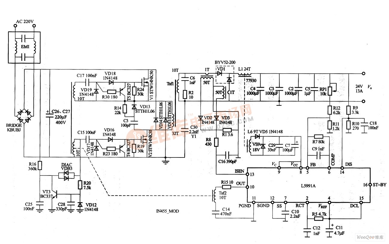
图为40w喷墨打印机由l5991构成的电源电路 喷墨打印机按工作原理可分为固体喷墨和液体喷墨两种(现在又以后者更为常见),而液体喷墨方式又可分为气泡式(canon和hp)与液体压电式(epson)。气泡技术(bubble jet)是通过加热喷嘴,使墨水产生气泡,喷到打印介质上的。 l5991是一种集成电路,集成电路(integrated circuit,港台称之为积体电路)是一种微型电子器件或部件。 来源:lidy